
MODEL CWM-1A, CWM-1B, SSCWM-1A AND SSCWM-1B SERIES WEIGH MOUNT SCALES
POWDER COATED CARBON STEEL AND 304 STAINLESS STEEL WEIGH MOUNT SYSTEMS
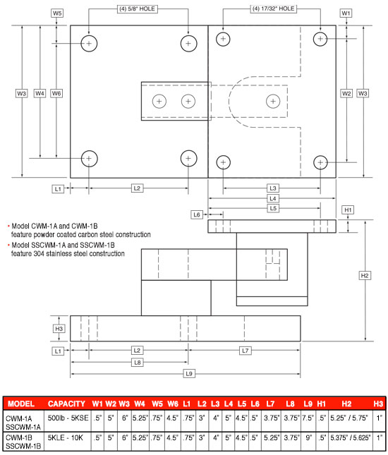
The engineers at Cambridge Scale had the installers and maintenance personnel in mind every step of the way during the design of our weigh mount system. The “thru-bolt” mounting plate design permits a full one half inch adjustment up or down, eliminating the need to shim, and compensating for uneven floors. The lag bolt holes are spaced farther apart to reduce the risk of concrete breakage when drilling mounting holes. These same lag bolt holes are also positioned to permit access with a lug wrench to all four holes. These design innovations and Cambridge’s reputation for quality make our weigh mount system your best choice.
-
Free worldwide shipping on all orders over $100
-
Delivers in: 3-7 Working Days Shipping & Return










Reviews
There are no reviews yet.